
空氣流量計
- 品*:JKM/凱銘儀表
- 型號:JKM-LUGB
- 測量范圍:5-11000m3/h
- 精度等級:1.5級、1.0級
- 公稱通徑:DN20~DN1200
- 適用介質:氣體、液體、蒸汽
- 工作壓力:1.6MPa~10MPa
- 工作溫度:-80℃~450℃
- 供電方式:24VDC 鋰電池
- 訂貨號:QZW289455XQC
空氣流量計的種類和適用范圍
1. LUGB 系列滿管型壓電式渦街流量儀表
2. LUGB 系列插入型壓電式渦街流量儀表
3. LUGE 系列滿管型電容式渦街流量儀表
4. LUGE 系列插入型電容式渦街流量儀表
5. LUGB/E 系列電池供電型渦街流量儀表
6. 潛水型/分體型渦街流量儀表(協議訂貨)
7. 多功能曲線紀錄積算儀,帶 P/T 補償功能、中文液晶顯示
8. 智能流量積算儀,數碼管顯示
LUGB/E 型渦街流量儀表廣泛適用于石油、化工、冶金、熱力、紡織、造紙等行業對過熱蒸汽、飽和蒸汽、壓縮空氣和一般氣體(氧氣、氮氣氫氣、天然氣、煤氣等) 、水和液體(如:水、汽油、酒精、苯類等)的計量和控制.

空氣流量計產品特點
●安裝簡便,維護十分方便;
●結構簡單牢固,無可動部件,長期運行十分可靠;
● 量程范圍寬,量程比可達1:15;
● 壓力損失小,運行費用低,更具節能意義;
● 應用范圍廣,液體、氣體、蒸汽均可測量;
● 檢定周期長,一般為兩年;
● 在一定雷諾數范圍內,輸出信號不受被測介質物理性質和組分變化的影響,儀表系數僅與旋渦發生體的形狀和尺寸有關,調換配件后一般無須重新標定儀表系數;
● 可現場顯示,也可遠距離傳輸,還可與計算機控制系統聯網;
● 檢測探頭不直接接觸被測介質,性能更穩定。 技術參數
●測量介質:液體、氣體、蒸汽、空氣
● 測量范圍:(見下表)
● 公稱通徑:(見下表)非標產品可根據用戶要求特殊定做


空氣流量計工作原理
在流體中設置非流線型旋渦發生體(阻流體),則從旋渦發生體兩側交替地產生兩列有規則的旋渦,這種旋渦稱為卡曼渦街,如圖(一)所示。

旋渦列在旋渦發生體下游非對稱地排列。設旋渦的發生頻率為 f,被測介質來流的平均速度為 V,旋渦發生體迎流面寬度為 d,表體通徑為 D,根據卡曼渦街原理,有如下關系式:
f=StV/d 公式(1)
式中:
f-發生體一側產生的卡門旋渦頻率
St-斯特羅哈爾數(無量綱數)
V-流體的平均流速
d-旋渦發生體的寬度
由此可見,通過測量卡門渦街分離頻率便可算出瞬時流量。其中,斯特羅哈爾數(St)是無因次未知數,圖(二)表示斯特羅哈爾數(St)與雷諾數(Re)的關系。

在曲線表中 St=0.17 的平直部分,漩渦的釋放頻率與流速成正比,即為渦街流量傳感器測量范圍度。只要檢測出頻率 f 就可以求得管內流體的流速,由流速 V 求出體積流量。所測得的脈沖數與體積量之比,稱為儀表常數(K),見式(2)
K=N/Q(1/m3) 公式(2)
式中:K=儀表常數(1/m3)。
N=脈沖個數
Q=體積流量(m3)
空氣流量計產品參數說明
●溫度范圍:壓電式 -40℃ ~ 350℃ 電容式 -60℃ ~ 450℃
●壓力規格:PN1.6Mpa; PN2.5Mpa; PN4.0Mpa ,更高壓力規格可特殊定做
●范 圍 度:正常范圍1:10 擴展后范圍1:15
●壓力損失系數:Cd≤2.6
●系統測量精度:液體、氣體 示值的±1%
蒸 汽 示值的±1.5%
插入式流量計 示值的±2.5%
●供電電壓:傳感器 +12VDC 或+24VDC 變送器 +24VDC
現場顯示型 儀表自帶3.6V鋰電池
●輸出信號:傳感器 脈沖頻率信號0.1 ~ 3000Hz 低電平≤1V 高電平≥6V
變送器 兩線制4 ~ 20mA.DC電流信號
●允許振動加速度:壓電式 ≤0.2g 電容式 ≤1.0g
●環境溫度:傳感器 -30℃ ~ 65℃
變送器、現場顯示 -10℃ ~ 50℃
●環境濕度:相對濕度5 ~ 85%
●信號遠傳距離:≤500m
●信號線接口:內螺紋M20×1.5
●直管段長度:上游≥10D 下游≥5D
●防爆等級:( ia )ⅡCT2 - T5本安防爆
●防護等級:普通型 IP65 潛水型IP68
空氣流量計測量范圍對照表

空氣流量計測量范圍對照表

空氣流量計選擇配置
本公司生產的氣體流量計可以測量鍋爐飽和蒸汽、電廠過熱蒸汽、熱水、液體、導熱油等物質。顯示部分為*先進的液晶中文顯示,3.6V電池與DC24V雙供電,可顯示瞬時流量、累計流量、溫度、壓力、密度、頻率,所有數據清晰可見!配套法蘭、螺栓、墊片都給您配齊!
1、蒸汽:
1)若是管道內蒸汽的溫度和壓力時刻在變化,忽高忽低,不穩定且溫度不超過180°時,建議加單獨溫度補償或者單獨壓力補償,兩種補償任選其一,來實時檢測溫度或壓力,從而不間斷補償密度,以實現測量的精準度!適用于以成本核算、節能減耗的企業。
2)若是管道內蒸汽的溫度和壓力時刻在變化,忽高忽低,不穩定且用于貿易計量時,請務必選擇同時溫度和壓力傳感器補償,以此避免貿易糾紛,成本核算更加精準!
3)若是您現場溫度和壓力是恒定的,可選擇現場顯示電池供電或者220V供電遠傳顯示,無需溫度或者壓力補償。適用于自己內部使用,對精度要求不高的企業。
2、空氣:
1)空氣,一定溫度和壓力同時補償。兩者缺一不可!
3、液體
1)對于測量的物質為自來水、純凈水、汽油、柴油、導熱油(需用高溫探頭)等液體直接選擇普通配置現場顯示電池供電即可。
4、沼氣
1)沼氣的壓力一般都在5KPa-10KPa左右,不需要溫度壓力補償,可以選擇普通現場顯示減少成本。若是壓力超過20KPa,建議加溫度和壓力補償。


空氣流量計信號換算與接線方式
電壓脈沖換算成累積流量,(累計流量值)Qs=N/K,
K是流量系數(出廠都已經給定),N是一段時間內的總脈沖數。
1)可由二次儀表(流量積算儀、PLC等)將脈沖頻率f進行積算,得到一段時間內的總個數。
2)直接一段采集脈沖個數,得到總數。
脈沖輸出接線方式

電流信號換算成瞬時流量(4-20mA接線方式)



電流信號換算成瞬時流量(4-20mA接線方式)

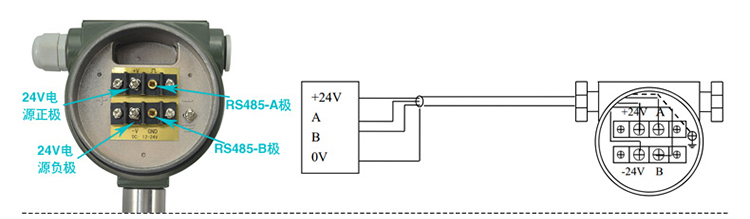
485通訊接線

空氣流量計安裝距離的選擇
空氣流量儀表對安裝點的上下游直管段有一定要求(前10后5)不然會影響介質在管道中的流場硬性儀表的測量精度。儀表的上下游直管段要求如下:


注:1、儀表選型一定根據流量,切不可根據管道直徑,需變徑時必須變徑。
2、儀表安裝時氣體就高不就低,液體就低不就高。
3、根據渦街流量傳感器安裝可旋轉180°方向,水平管道安裝傾斜45°,或根據管道情況任意選定方向,便于接線盒維修。


