氧氣計量用什么流量計
點擊次數:2728 發布時間:2020-11-06 09:39:04
氧氣流量計產品概述
渦街流量計測量精度高,性能穩定適合買賣單位計量使用,使用安裝非常方便這款流量計是根據卡門渦街理論,利用了流體的自然振動原理,渦街流量計采用先進的差動技術,配合隔離、屏蔽、濾波等措施,克服了同類產品抗震性差、小信號數據紊亂等問題,并采用了獨特的傳感器封裝技術和防護措施,保證了產品的可靠性。渦街流量計有基本型和復合型兩種型式,基本型測量單**量信號;復合型可同時實現溫度、壓力、流量的測量。每種型式都有整體、分體結構,以適應不同的安裝環境。

氧氣流量計產品特點
1、結構簡單而牢固,無可動部件,可靠性高,長期運行十分可靠。
2、安裝簡單,維護十分方便。
3、檢測傳感器不直接接觸被測介質,性能穩定,壽命長。
4、輸出是與流量成正比的脈沖信號,無零點漂移,精度高。
5、測量范圍寬,量程比可達1:10。
6、壓力損失較小,運行費用低,更具節能意義。
7、渦街流量計在一定的雷諾數范圍內,輸出信號頻率不受流體物理性質和組份變化的影響,儀表系數僅與旋渦發生體的形狀和尺寸有關,測量流體體積流量時無需補償,調換配件后一般無需重新標定儀表系數。
8、應用范圍廣,蒸汽、氣體、液體的流量均可測量。
9、檢定周期為二年。
10、渦街流量計應用內徑范圍為25-300mm(滿管式),插入式渦街流量計應用內徑范圍為350-1200mm)。
11、滿管式測量液體精度為1%,測量蒸汽和氣體精度為1.5%,插入式測量液體精度為2%,測量蒸汽和氣體精度為2.5%。
12、被測介質溫度為-20~150℃、-40~250℃、+100~350℃(僅管式)。
13、輸出信號為三線制電壓脈沖,三線制4-20mA、二線制4-20mA。

氧氣流量計主要技術指標
氧氣流量計選型說明
儀表選型是能否用好流量計的前提條件。要獲得準確的測量結果,選型時要注意介質溫度、壓力、測量范圍及安裝環境等技術參數,其中流量范圍的選擇尤其重要,流量太小,儀表難以檢測出信號,流量太大儀表容易超量程。

氧氣流量計的配線設計
一. 輸出頻率信號的三線制渦街流量計配線設計
輸出頻率信號的三線制流量傳感器采用DC24V或DC12V電源供電,一般通過三芯屏蔽電纜線(RWP3×0.5mm)與顯示儀表或計算機相連,屏蔽層應可靠地接到放大器殼的接地螺絲上。屏蔽電纜線的選擇應適合現場環境要求,另外屏蔽電纜線要與其它強功率電力線分離,不能平行走線。傳感器端子接線見圖

二.輸出標準4~20mA電流信號的兩線制渦街流量計配線設計
輸出標準4~20mA電流信號的兩線制變送器采用DC24V電源供電,一般通過兩芯屏蔽電纜線(RWP3×0.5mm)與顯示儀表或計算機相連,屏蔽層應可靠地接到放大器殼的接地螺絲上。屏蔽電纜線的選擇應適合現場環境要求,另外屏蔽電纜線要與其它強功率電力線分離,不能平行走線。變送器端子接線見圖

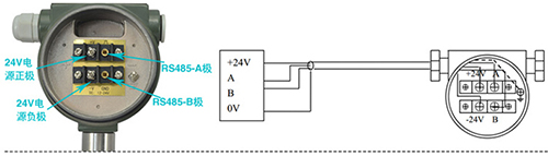
三.帶RS-485通訊接口功能的渦街流量計配線設計
帶RS-485通訊功能的渦街流量計采用DC24V電源供電,與其它設備之間采用四線制傳輸方式。儀表端子接線見圖

氧氣流量計產品型譜
氧氣流量計的安裝
1、傳感器可安裝在室內,也可安裝在室外。環境條件要符合要求。
2、傳感器應安裝在水平、垂直或傾斜(流體的流向自下而上)的與其公稱通徑相應的管道上。
3、傳感器應避免安裝在有機械振動的管道上。當振動不可避免時,應考慮在距傳感器前后約2DN處的直管段上加固定支撐架。
4、傳感器應避免安裝在有較強電磁場干擾、有熱輻射、有腐蝕性氣體、空間小和維修不方便的場所。
5、被測介質含有較多雜質時,應在傳感器上游直管段要求的長度以外加裝過濾器。
6、傳感器的上、下游應配置一定長度的直管段,直管段的內壁應清潔、光滑,無明顯凸凹、積垢和起皮等現象。其長度應符合圖二的要求。安裝液體傳感器的附近管道內,應充滿被測液體。
7、直管段內徑盡可能與傳感器通徑一致,若不能一致,應采用比傳感器通徑略大的管徑,誤差要≤3%并不超過5mm。

氧氣流量計的工作原理
渦街流量計是由設計在流場中的旋渦發生體、檢測探頭及相應的電子線路等組成。當流體流經旋渦發生體時,它的兩側就形成了交替變化的兩排旋渦,這種旋渦被稱為卡門渦街。斯特羅哈爾在卡門渦街理論的基礎上又提出了卡門渦街的頻率與流體的流速成正比,并給出了頻率與流速的關系式:
f = St × V/d
式中:f 渦街發生頻率 (Hz)
V旋渦發生體兩側的平均流速(m/s )
St 斯特羅哈爾系數(常數)

這些交替變化的旋渦就形成了一系列交替變化的負壓力,該壓力作用在檢測探頭上,便產生一系列交變電信號,經過前置放大器轉換、整形、放大處理后,輸出與旋渦同步成正比的脈沖頻率信號或標準信號。
在流體管道中,垂直插入—個柱形阻擋物,在其后部(相對于流體流向)兩側就會交替地產生旋渦。隨著流體向下游流動形成旋渦列,我們稱之為卡門渦街。我們把產生旋渦的柱形阻擋物定義為旋渦發生體在一定條件下旋渦的分離頻率與流體的流速成線性關系。因而,只要檢測出旋渦分離的頻率,即可計算出管道內流體的流速或流量。
氧氣流量計安裝尺寸

浮標式氧氣流量計,液氧氣流量計
氧氣流量計合理的取壓方式對于測量效果的影響
浮標式氧氣流量計,氧氣流量計廠家
影響高壓氧氣流量計在現場測不準的因素有哪些
dn20氧氣流量計在集中供熱系統中的蒸汽計量
管道氧氣流量計存在的十種典型問題及相應解決方法
氧氣流量計在氧化鋁生產中常見故障分析及處理方法
導致高壓氧氣流量計測量數據偏差的因素分析
影響dn20氧氣流量計安裝要求及影響測量精度的技術分析
工業氧氣流量計常見故障分析及處理方法
管道氧氣流量計在供熱系統中技術問題討論
dn25氧氣流量計遇到的常見故障怎么調怎么排除
dn15氧氣流量計對于差壓式儀表的選型及未來發展分析
氮氣氧氣流量計容易出現的問題作出的分析及相應解決方法
浮標式氧氣流量計
浮標式氧氣流量計,dn20氧氣流量計
使用氧氣流量計選型進行蒸汽測量時需要注意那些要求
氧氣流量計無輸出信號及其他安裝故障的判斷和處理
管道氧氣流量計在用作蒸汽流量測量時產生誤差的原因分析
變徑整流器在氧氣流量計的流量測量中的作用及應用介紹
醫用氧氣流量計,氧氣渦街流量計廠家
醫用氧氣流量計,氧氣流量計價格
醫用氧氣流量計,氧氣流量計廠家
高壓氧氣流量計,工業氧氣計量表
dn20氧氣流量計,氧氣流量計量表
工業氧氣流量計,氧氣流量計量表
dn20氧氣流量計,氧氣計量用什么流量計
氧氣計量用什么流量計,氧氣流量計量表
高壓氧氣流量計,氧氣流量計價格
dn20氧氣流量計,醫用氧氣流量計
渦街流量計測量精度高,性能穩定適合買賣單位計量使用,使用安裝非常方便這款流量計是根據卡門渦街理論,利用了流體的自然振動原理,渦街流量計采用先進的差動技術,配合隔離、屏蔽、濾波等措施,克服了同類產品抗震性差、小信號數據紊亂等問題,并采用了獨特的傳感器封裝技術和防護措施,保證了產品的可靠性。渦街流量計有基本型和復合型兩種型式,基本型測量單**量信號;復合型可同時實現溫度、壓力、流量的測量。每種型式都有整體、分體結構,以適應不同的安裝環境。

氧氣流量計產品特點
1、結構簡單而牢固,無可動部件,可靠性高,長期運行十分可靠。
2、安裝簡單,維護十分方便。
3、檢測傳感器不直接接觸被測介質,性能穩定,壽命長。
4、輸出是與流量成正比的脈沖信號,無零點漂移,精度高。
5、測量范圍寬,量程比可達1:10。
6、壓力損失較小,運行費用低,更具節能意義。
7、渦街流量計在一定的雷諾數范圍內,輸出信號頻率不受流體物理性質和組份變化的影響,儀表系數僅與旋渦發生體的形狀和尺寸有關,測量流體體積流量時無需補償,調換配件后一般無需重新標定儀表系數。
8、應用范圍廣,蒸汽、氣體、液體的流量均可測量。
9、檢定周期為二年。
10、渦街流量計應用內徑范圍為25-300mm(滿管式),插入式渦街流量計應用內徑范圍為350-1200mm)。
11、滿管式測量液體精度為1%,測量蒸汽和氣體精度為1.5%,插入式測量液體精度為2%,測量蒸汽和氣體精度為2.5%。
12、被測介質溫度為-20~150℃、-40~250℃、+100~350℃(僅管式)。
13、輸出信號為三線制電壓脈沖,三線制4-20mA、二線制4-20mA。

氧氣流量計主要技術指標
公稱通徑(mm) | 25,40,50,65,80,100,125,150,200,250,300,(300~1000插入式) |
公稱壓力(MPa) | DN25-DN200 4.0(>4.0協議供貨),DN250-DN300 1.6(>1.6協議供貨) |
介質溫度(℃) | 壓電式:-40~260,-40~320;電容式: -40~300, -40~400,-40~450(協議訂貨) |
本體材料 | 1Cr18Ni9Ti,(其它材料協議供貨) |
允許振動加速度 | 壓電式:0.2g 電容式:1.0~2.0g |
精確度 | ±1%R,±1.5%R,±1FS;插入式:±2.5%R,±2.5%FS |
范圍度 | 1:6~1:30 |
供電電壓 | 傳感器:+12V DC,+24V DC;變送器:+12V DC ,+24V DC;電池供電型:3.6V電池 |
輸出信號 | 方波脈沖(不包括電池供電型):高電平≥5V,低電平≤1V;電流:4~20mA |
壓力損失系數 | 符合JB/T9249標準 Cd≤2.4 |
防爆標志 | 本安型:ExdⅡia CT2-CT5隔爆型:ExdⅡCT2-CT5 |
防護等級 | 普通型IP65 潛水型 IP68 |
環境條件 | 溫度-20℃~55℃,相對濕度5%~90%,大氣壓力86~106kPa |
適用介質 | 氣體、液體、蒸汽 |
傳輸距離 | 三線制脈沖輸出型:≤300m,兩線制標準電流輸出型 (4~20mA):負載電阻≤750Ω |
氧氣流量計選型說明
儀表選型是能否用好流量計的前提條件。要獲得準確的測量結果,選型時要注意介質溫度、壓力、測量范圍及安裝環境等技術參數,其中流量范圍的選擇尤其重要,流量太小,儀表難以檢測出信號,流量太大儀表容易超量程。

氧氣流量計的配線設計
一. 輸出頻率信號的三線制渦街流量計配線設計
輸出頻率信號的三線制流量傳感器采用DC24V或DC12V電源供電,一般通過三芯屏蔽電纜線(RWP3×0.5mm)與顯示儀表或計算機相連,屏蔽層應可靠地接到放大器殼的接地螺絲上。屏蔽電纜線的選擇應適合現場環境要求,另外屏蔽電纜線要與其它強功率電力線分離,不能平行走線。傳感器端子接線見圖

二.輸出標準4~20mA電流信號的兩線制渦街流量計配線設計
輸出標準4~20mA電流信號的兩線制變送器采用DC24V電源供電,一般通過兩芯屏蔽電纜線(RWP3×0.5mm)與顯示儀表或計算機相連,屏蔽層應可靠地接到放大器殼的接地螺絲上。屏蔽電纜線的選擇應適合現場環境要求,另外屏蔽電纜線要與其它強功率電力線分離,不能平行走線。變送器端子接線見圖

三.帶RS-485通訊接口功能的渦街流量計配線設計
帶RS-485通訊功能的渦街流量計采用DC24V電源供電,與其它設備之間采用四線制傳輸方式。儀表端子接線見圖

氧氣流量計產品型譜
型號 | 說明 | ||||||||
KM-LUGB | 標準渦街流量計 | ||||||||
安裝方式 | 2 | 法蘭卡裝式 | |||||||
3 | 法蘭連接式 | ||||||||
4 | 管道對焊式 | ||||||||
5 | 螺紋連接式 | ||||||||
6 | 卡箍連接式 | ||||||||
7 | 固定插入式 | ||||||||
8 | 球閥插入式 | ||||||||
測量介質 | 2 | 液體 | |||||||
3 | 氣體 | ||||||||
4 | 蒸汽 | ||||||||
公稱通徑 | -X |
流量計公稱通徑用2-4位阿拉伯數字表示 例如:DN200用200表示 |
|||||||
輸出信號 | -2 | 脈沖頻率信號無顯示 | |||||||
-3 | 脈沖頻率信號帶顯示 | ||||||||
-4 | 電池供電帶顯示 | ||||||||
-5 | 兩線制4~20mA信號無顯示 | ||||||||
-6 | 兩線制4~20mA信號帶顯示 | ||||||||
-7 | 兩線制4~20mA信號帶hart通訊 | ||||||||
-8 | 三線制4~20mA信號帶顯示 | ||||||||
-9 | 三線制4~20mA信號帶RS485通訊 | ||||||||
溫度規格 | 2 | -50~50℃(僅電容式) | |||||||
3 | -20~50℃ | ||||||||
4 | 50~250℃ | ||||||||
5 | 50~320℃ | ||||||||
6 | 50~500℃(僅電容式) | ||||||||
壓力規格 | 2 | 1.6MPa | |||||||
3 | 2.5MPa | ||||||||
4 | 4.0MPa | ||||||||
5 | 更高壓力(*高32MPa) | ||||||||
補償類型 | -P | 一體化壓力補償 | |||||||
-T | 一體化溫度補償 | ||||||||
-PT | 一體化溫壓補償 | ||||||||
特殊類型 | F | 分體式 | |||||||
Q | 潛水型 | ||||||||
S | 縮徑型 | ||||||||
N | 耐腐蝕型 | ||||||||
G | 隔爆型 | ||||||||
B | 本案防爆型 |
氧氣流量計的安裝
1、傳感器可安裝在室內,也可安裝在室外。環境條件要符合要求。
2、傳感器應安裝在水平、垂直或傾斜(流體的流向自下而上)的與其公稱通徑相應的管道上。
3、傳感器應避免安裝在有機械振動的管道上。當振動不可避免時,應考慮在距傳感器前后約2DN處的直管段上加固定支撐架。
4、傳感器應避免安裝在有較強電磁場干擾、有熱輻射、有腐蝕性氣體、空間小和維修不方便的場所。
5、被測介質含有較多雜質時,應在傳感器上游直管段要求的長度以外加裝過濾器。
6、傳感器的上、下游應配置一定長度的直管段,直管段的內壁應清潔、光滑,無明顯凸凹、積垢和起皮等現象。其長度應符合圖二的要求。安裝液體傳感器的附近管道內,應充滿被測液體。
7、直管段內徑盡可能與傳感器通徑一致,若不能一致,應采用比傳感器通徑略大的管徑,誤差要≤3%并不超過5mm。

氧氣流量計的工作原理
渦街流量計是由設計在流場中的旋渦發生體、檢測探頭及相應的電子線路等組成。當流體流經旋渦發生體時,它的兩側就形成了交替變化的兩排旋渦,這種旋渦被稱為卡門渦街。斯特羅哈爾在卡門渦街理論的基礎上又提出了卡門渦街的頻率與流體的流速成正比,并給出了頻率與流速的關系式:
f = St × V/d
式中:f 渦街發生頻率 (Hz)
V旋渦發生體兩側的平均流速(m/s )
St 斯特羅哈爾系數(常數)

這些交替變化的旋渦就形成了一系列交替變化的負壓力,該壓力作用在檢測探頭上,便產生一系列交變電信號,經過前置放大器轉換、整形、放大處理后,輸出與旋渦同步成正比的脈沖頻率信號或標準信號。
在流體管道中,垂直插入—個柱形阻擋物,在其后部(相對于流體流向)兩側就會交替地產生旋渦。隨著流體向下游流動形成旋渦列,我們稱之為卡門渦街。我們把產生旋渦的柱形阻擋物定義為旋渦發生體在一定條件下旋渦的分離頻率與流體的流速成線性關系。因而,只要檢測出旋渦分離的頻率,即可計算出管道內流體的流速或流量。
氧氣流量計安裝尺寸

上一篇:浮標式氧氣流量計
下一篇:氧氣流量計價格